
|
系列 |
型 號(hào) |
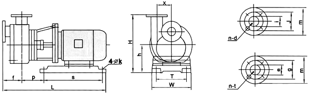
外型及安裝尺寸 |
進(jìn)口法蘭尺寸 |
出口法蘭尺寸 |
|||||||||||||||
|
L |
S |
P |
f |
W |
T |
H |
h |
x |
k |
i |
j |
m |
n-d |
e |
g |
n |
4-t |
||
|
短支架 |
32FZB-15 |
450 |
100 |
160 |
80 |
180 |
140 |
230 |
90 |
55 |
10 |
32 |
90 |
120 |
4-11 |
32 |
90 |
120 |
4-11 |
|
40FZB-20 |
590 |
310 |
160 |
110 |
220 |
170 |
305 |
140 |
65 |
12 |
40 |
100 |
130 |
4-13 |
40 |
100 |
130 |
4-13 |
|
|
40FZB-30 |
590 |
310 |
160 |
110 |
220 |
170 |
305 |
140 |
80 |
12 |
40 |
100 |
130 |
4-13 |
40 |
100 |
130 |
4-13 |
|
|
50FZB-20 |
590 |
310 |
160 |
110 |
220 |
170 |
305 |
140 |
65 |
12 |
50 |
100 |
130 |
4-13 |
50 |
100 |
130 |
4-13 |
|
|
50FZB-30 |
590 |
310 |
160 |
110 |
220 |
170 |
305 |
140 |
80 |
12 |
50 |
100 |
130 |
4-13 |
50 |
100 |
130 |
4-13 |
|

|
系列 |
型 號(hào) |
外型及安裝尺寸 |
進(jìn)口法蘭尺寸 |
出口法蘭尺寸 |
|||||||||||||||
|
L |
S |
P |
f |
W |
T |
H |
h |
x |
k |
i |
j |
m |
n-d |
e |
g |
n |
n-t |
||
|
長(zhǎng)支架 |
65FZB |
1100 |
600 |
250 |
180 |
390 |
350 |
440 |
212 |
80 |
20 |
65 |
145 |
185 |
4-18 |
50 |
125 |
165 |
4-18 |
|
65FZB |
1200 |
660 |
300 |
200 |
450 |
400 |
480 |
232 |
100 |
24 |
65 |
145 |
185 |
4-18 |
50 |
125 |
165 |
4-48 |
|
|
80FZB |
1200 |
660 |
300 |
200 |
450 |
400 |
480 |
232 |
100 |
24 |
80 |
160 |
200 |
8-18 |
65 |
145 |
185 |
4-18 |
|
|
80FZB |
1240 |
740 |
330 |
210 |
500 |
450 |
520 |
260 |
110 |
24 |
80 |
160 |
200 |
8-18 |
65 |
145 |
185 |
4-18 |
|




辦事處列表
SYWT-C系列PE污水提升器
SYWT-C系列PE污水提升器







